숟가락 그만 얹어
Time-series Anomaly Detection by PCA (2) 본문
실험에 사용한 코드는 여기에... https://github.com/HanSangJun/Time-Series-Anomaly-Detection
HanSangJun/Time-Series-Anomaly-Detection
Time-series Anomaly Detection. Contribute to HanSangJun/Time-Series-Anomaly-Detection development by creating an account on GitHub.
github.com
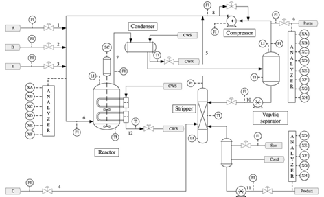
실험에 사용한 데이터셋은 Tennesse Eastman Process 2001이다. 이 데이터셋은 reactor, condenser, compressor, separator, stripper로 구성된 화학 공정을 모사하여 생성된 시뮬레이션 데이터이며 온도, 압력, 유량 등을 측정하는 52개의 센서가 존재한다.

Training set의 data shape은 (22, 480, 52)이고 각각의 의미는 normal을 포함한 22개의 fault type, 24시간 동안 3분마다 sampling하여 얻은 480 time points, 그리고 52개의 센서이다. Test set은 48시간 동안 sampling하여 얻은 960개의 time points가 있다.
References
[1] S. Yin et al., A comparison study of basic data-driven fault diagnosis and process monitoring methods on the benchmark Tennessee Eastman Process, J. Process Control, 2012
[2] T. Heo et al., Development of Real-Time Water Quality Abnormality Warning System for Using Multivariate Statistical Method., J. Korean Soc, 2015
'Research > Anomaly Detection' 카테고리의 다른 글
| Deep SAD (0) | 2020.09.14 |
|---|---|
| Classification-based Anomaly Detection (0) | 2020.09.10 |
| MSCRED (0) | 2020.08.29 |
| Time-series Anomaly Detection by PCA (3) (0) | 2020.07.15 |
| Time-series Anomaly Detection by PCA (1) (0) | 2020.07.15 |